CNB31-001A1 Fixed Speed
Motorised Charpy Notch Machine
CNB34-001A1
Variable Speed Motorised Charpy Notch Machine


Our motorised broaching machine is a self-contained floor mounted unit, specially designed for cutting Charpy and Izod 'V' and 'U' notches in pre-machined standard 10mm square, sub-size and 0.45" diameter specimens.
The CNB-31 produces a consistent notch of superior quality to that produced by use of the milling process.
For a wider range of materials, the use of the variable speed CNB-34 is recommended.
CNB31-001A1 FIXED SPEED
MOTORISED CHARPY NOTCH MACHINE
Notches can be
cut in carbon steels, easily machined low alloy steels, non-ferrous and
plastic materials.
Please refer to broach page & machinability section.
BROACHES
Broaches are ordered separately.
More information here
VIDEO
CNB31/34 MOTORISED CHARPY NOTCH BROACHING MACHINE
Alternate video format can be
viewed here

CNB34-001A1 VARIABLE SPEED
MOTORISED CHARPY NOTCH MACHINE
The variable
speed control allows adjustment of the broach cutting speed, so more
difficult materials can be broached and to give extended broach life
between sharpening.
Notches can be
cut in carbon steels, more difficult to machine alloy steels, stainless
steels, non-ferrous and plastic materials. The variable speed drive and
our hard cut broaches allow a wider range of materials to be cut,
including stainless steel or more difficult to machine alloy steels.

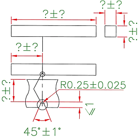
'V' Notch Specimen

'U' Notch Specimen
BROACHES
Broaches are ordered separately.
Charpy Broaches
VIDEO
MOTORISED MACHINE OPTIONS: 'U' Notch Specimens
Alternate
video format can be
viewed here
VIDEO
MOTORISED MACHINE OPTIONS: 0.45" Diameter Specimens
Alternate video format can be
viewed here
Machine Design and Method of Operation
Machine Design:
The machine is simple to operate and of robust construction, with large
removable panels to provide access for routine maintenance. The design of
the machine provides a comfortable working height.
The cutting
operation is achieved by drawing a specially designed multi-toothed broach
across the specimen. The broach is drawn into the machine by precision
twin lead screws via a geared mechanism to ensure the broach cuts
perpendicular to the specimen clamp, limit switches are fitted for end of
stroke travel.
The lead screws are matched with the travel nut to
ensure minimum-operating clearances, while spring loaded safety guards
ensure swarf and debris cannot enter into the lead screws and nuts.
Fixed Speed Drive:
Once the notch depth has been set and the specimen
clamped in position, the machine operation is activated via lower and
raise push- buttons. An additional stop button is fitted for emergency
use.
The machine operation is controlled by the lower and raise push- buttons, which forward and reverse the machine motor, resulting in the broach cutting and return strokes being at a fixed speed. The motor has thermal overload protection to protect the drive mechanism.

Variable Speed Drive:
Once the notch depth has been set and the specimen
clamped in position, the machine operation is activated via a lower and
raise switch. A graduated knob controls the speed the broach cuts and the
broach return speed is factory set at a constant fast speed. A stop
button is fitted for emergency use.
The motor is controlled via a variable speed, frequency converter thyristor drive and the pre-programmed P.L.C. ensures motor overload does not occur to protect the drive mechanism.

Guards:
The machine guards totally enclose the drive motor and operating
mechanism.
A broach guard is fitted to comply with safety regulations; limit switches
prevent motor operation when the guards are open.

Method of Operation:
A hand-operated clamp is mounted on the machine top
plate at a comfortable working height and ensures that the specimen is
held accurately and securely in position. It is fitted with adjusting
screws and an end stop to ensure correct specimen positioning. A
micro-adjustor provides manual adjustment for broach depth of cut and
hence the final notch depth. Once set, the adjusting screws provide
repeatability for the next specimen.
The clamp can accommodate 10mm square & 10mm x 7.5/6.7mm rectangular
sub-size samples. For 10mm x 5.0/2.5mm rectangular sub-size samples a
broach keep “W” is required and for circular specimens a different clamp
block is required, see accessories.
The broach can easily be removed for re-sharpening or replaced to cut a
different type of notch.
VIDEO
MOTORISED MACHINE OPTIONS: Sub-Size Specimens
Alternate
video format can be
viewed here

The sample is secured in the machine by the clamp. A light coating of cutting oil (RTD recommended) is applied to the broach and the lower push-button/switch is operated which draws the broach through the specimen to produce an accurate notch profile. After the notch has been cut, the sample is removed, the broach raise push-button/switch operated, which raises the broach and the broach teeth are cleaned, ready for the next sample.
Multi-notch Attachment:
There are 2 options for multi-notch samples.
A) 0.45” diameter and 10mm square sample attachment.
B) 10mm square sample attachment only.
The multi-notch attachment allows for single and multiple notches to be
produced in 10mm square and/or 0.45" diameter specimens. See
accessories.
This option is normally fitted in our factory; it may be fitted at our
customer’s works providing they have access to a fitter & a surface
grinder or milling machine.

VIDEO
MOTORISED MACHINE OPTIONS: Multi Notch Specimens
Alternate video format can be
viewed here
MACHINE SPECIFICATION
|
Size: |
440 x 320 x 1020mm height to clamp handle |
|
|
440 x 320 x 1370mm height over broach guard |
|
|
|
|
Weight: |
Fixed Machine 95 Kg Variable Machine 96kg |
Mounting:
Floor mounted using 4 x 10mm diameter
anchor bolts is recommended to ensure machine stability. Anchor bolts are
not supplied.
Electrical Supply:
CNB31 Fixed Machine -
220-240 Vac, 1 phase
50/60
Hz, 0.5 KVA
For the fixed speed machine only, customer to advise their electrical Hz
frequency for the setting of the broach travel limit switches at our
works.
CNB34 Variable Machine -
220-240 Vac, 1 phase
50/60 Hz, 1.0 KVA
PERFORMANCE
Broach cutting speed:
Fixed Machine:
27mm/s
(50Hz) 32mm/s (60Hz)
Variable Machine:
Infinitely variable 7.1
to 37.8mm/s
Production Rate:
Fixed Machine:
The time for
the broach travel in each direction is 10 seconds. So allowing for
loading/unloading & cleaning of the broach teeth an operational
floor-to-floor time of 40 seconds can be achieved.
Variable
Machine:
The time for the broach travel in the cut direction is
between 7 & 37 seconds and the return time is 10 seconds. So allowing for
loading/unloading & cleaning of the broach teeth an operational
floor-to-floor time of 40 to 60 seconds can be achieved, which is
dependant upon the sample material & speed the broach is set to cut.
Please refer to broach page & machinability section.
ACCESSORIES
Broach Keep
CNB20-004A2 “W”, for 10mm x 5.0/2.5 sub-size samples, with 2mm 'V' notch
Broach Keep CNB20-004A2 “U”, for 10mm x 5.0/2.5 sub-size samples, with 2/5mm 'U' notch
Clamp Block
CNB20-009A3 & Clamp Pins CNB22-002A4, for round samples
Multi-notch
attachments :
A) 0.45” diameter and 10mm square multi notch attachment CNB32-003A1
or
B) 10mm square multi notch attachment CNB21-006A1
Small Specimen, Miniaturized Notch

Hardened cartridge CNB38-XXXA3 & Broach CNB30-0028A2 “M”, for “V” notches
up to 1mm deep.
View Manual
View Video for 0.45" Ø attachment
Standard
Broaches
Notch depth
caliper go/no go gauges
supplied
with UKAS certificate
Charpy Specimen Milling
Machine

The CNB-31 & CNB-34 Fixed & Variable Speed Motorised Charpy
Notch Broaching Machines make an ideal accompaniment to our Fixed or
Variable Speed Charpy Specimen Milling Machine to provide a compact
solution allowing complete independence for the test house/laboratory to
produce their own Charpy/Izod specimen.
More...
SPARES
Spare parts and consumables for all machines available: Spare Parts
SPECIMEN MATERIALS
By arrangement, special testing may be undertaken using our in house test
facility to determine optimum equipment for difficult to machine
materials.
Contact us, stating the
specimen’s material, size & standard, for further guidance.
QUALITY
Each machine undergoes a full inspection, run-in period and test cycle
prior to despatch.
CE marking
Approved by independent company.
CE TECHNICAL DOCUMENTS
Held at RJW Ltd, Unit A5 Chaucer Business Park, Kemsing, Kent.
WEEE
Environmental registration:
WEE/DC 2117VU
PRODUCER COMPLIANCE SCHEME
With Clarity Environmental Ltd.
User manuals are available to download in in 5 different languages.
DOWNLOADS page.
Problems
viewing the video?
If you are having problems viewing the YouTube hosted videos please try
looking at our alternative format video collection:
Charpy Notch Videos
Small Specimen with Miniaturized Notch:
Please go to downloads page to see how to use this option.
When
the machine is set you can change between “C” & “M” type broaches and
broach the correct depth notch for the small specimen cartridge being used
or a standard 10 X 10 mm specimen.
Please send your small specimen
and miniaturized notch details.
? =
DIMENSIONS REQUIRED



BROACHES
Broaches can be supplied for standard BS, ISO, EN, ASTM and other
International Standard notch profiles. Due to the variety of broaches and
notch configurations, broaches are ordered separately.
More information on our
BROACH PAGE
